JmNBoulder
New Member
- Region
- USA
Hi
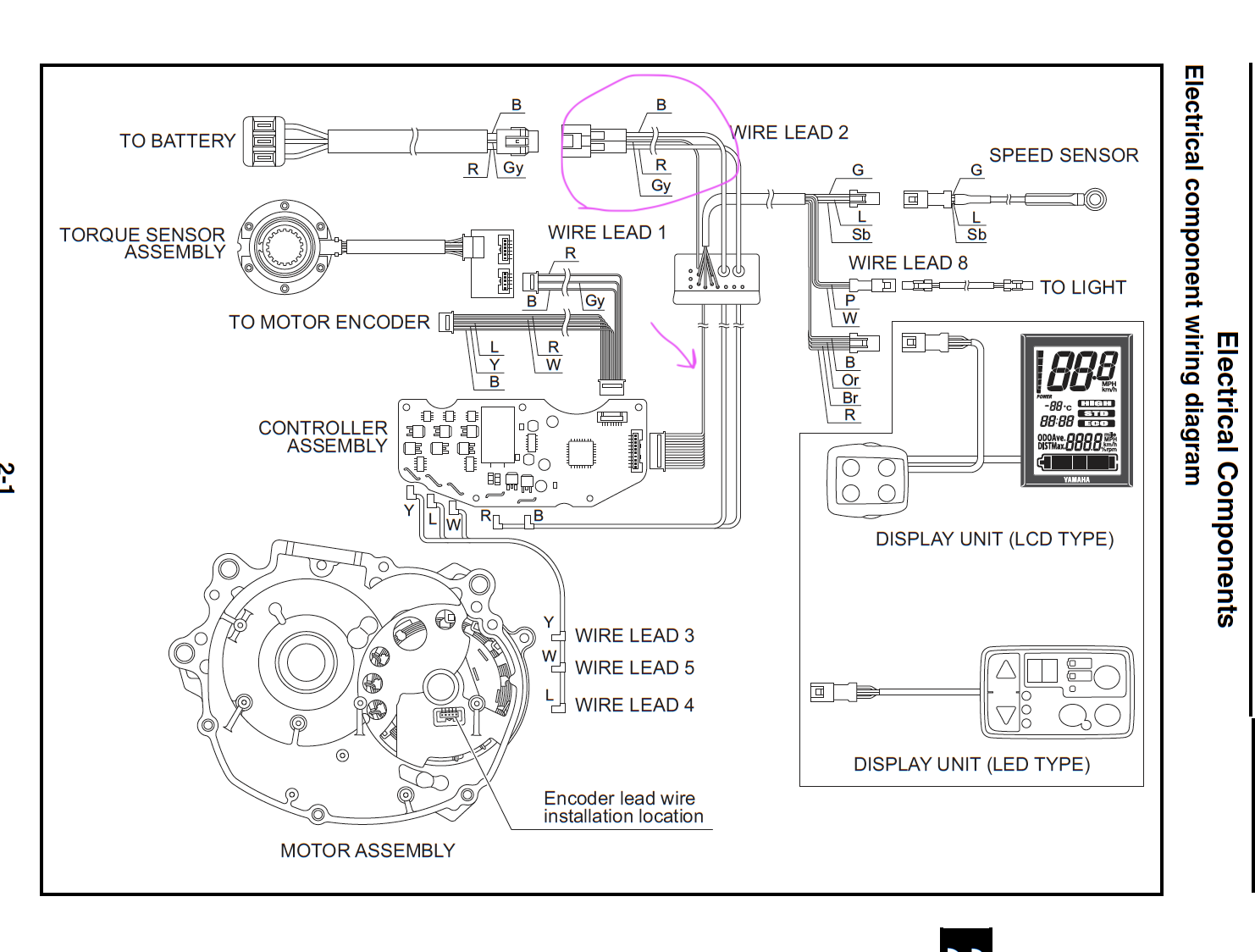
I have a 2016/17 Giant Explore E+ 2. It is the model that uses the EnergyPak with 4 slots, where 3 are used.
The terminal are positive and negative and the 3rd is a grey wire that goes into the motor.
I hooked up a 36v battery and the bike seems to work fine, however, I am trying to figure out what the 3rd wire is for.
The schematic shows it going into the "control assembly".
Does anyone have any idea what it's purpose is?
Does anyone have this model year ebike and can tell me the voltage coming out of the battery on that terminal is (if there is any).
I don't know if the wire is for monitoring the battery or something like that.
I am having a hellava time trying to find a replacement battery... I bought the ebike without one.




I have a 2016/17 Giant Explore E+ 2. It is the model that uses the EnergyPak with 4 slots, where 3 are used.
The terminal are positive and negative and the 3rd is a grey wire that goes into the motor.
I hooked up a 36v battery and the bike seems to work fine, however, I am trying to figure out what the 3rd wire is for.
The schematic shows it going into the "control assembly".
Does anyone have any idea what it's purpose is?
Does anyone have this model year ebike and can tell me the voltage coming out of the battery on that terminal is (if there is any).
I don't know if the wire is for monitoring the battery or something like that.
I am having a hellava time trying to find a replacement battery... I bought the ebike without one.




